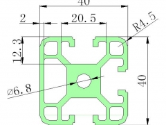
• HS 工业铝型材: HS-8-4040F
• • 材料 Material :铝 (6063 - T5)
• • 单位质量 weight :1.8 kg/m
• • 长度 length : 6.02 m
• • 集合惯性 Mass of Inertia :9.62 cm4 ly:9.62cm4
• • 截面惯性 Section Modulus : Zx:4.95cm3 Zy:4.95cm3
• • 订货号 Order No. HS-8-4040F
•上海恒树自动化设备有限公司地处国际大都城市--上海市,地理位置优越,水陆交通运输便捷。
• 我公司专业加工生产铝型材框架,铝型材配件及工装夹具、检具、流水线、输送设备、输送机、工作台(防静电工作台、ESD工作台)、线棒架、工具车、展示柜、文件柜、设备框架、焊接设备、设备安全防护罩(车床、铣床、磨床、钻床、砂轮机、拉力试念机等防护罩)、设备防护罩(带互锁)、设备安全围栏等非标产品的生产与销售,从产品的销售、技术咨询、设计加工到售后服务一条龙服务。公司生产的铝合金型材一贯重视质量,严格管理和控制从原材料进厂到产品出厂的质量。把“以优质求发展......
• 秉承质量第一,服务第一,开拓创新,求实进取的宗旨,继续发展和扩大产品,增加市场品种,愿与国内外用户真诚合作,热忱为您提供优质的产品和优良......

