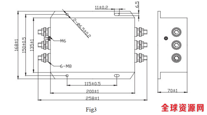
6-100A额定电流
Current ratings from 6 to 100A
优良的共/差模抑制性能
Very high common and differential mode attenuation
适用于三相变频器和伺服驱动器电机调速控制系统
Three phase imverters and motor speed conttrol system of servo dirvers
建议与输入端滤波器配套使用
To match with input filter
可按不同的插损、工作电流、电压、外形和端接方式需求定制
Customization design for different insretion Loss,Rated Current,Rated Voltage,Size and Terminal Format requirements
	



 
	

