
1-6A额定电流
Current ratings from1 to6A
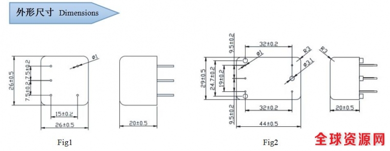
适合PCB尺寸设计,结构紧凑安装方便
Very compact PCB-mounting design,easy to mount
提高电路的抗干扰能力,减少对外的传导与辐射
To enhance the anti-jamming performance and erduce CE and RE
可按不同的插损、工作电流、电压、结构尺寸和端接方式需求定制
Custiomization design for different insertion loss,Rated Current,Rated Vpttsge,Size and Teminal Format requirements




