DR 50E机器人本体技术参数
▶2-1 机器人本体构成图
▶2-2 机器人机械参数
DR50E 机器人机械参数如表
|
机型 |
DR50E |
|
自由度 |
6 |
|
手腕负载 |
50kg |
|
最大工作半径 |
2124mm |
|
本体重量 |
575kg |
|
安装方式 |
正装 |
|
重复定位精度 |
±0.1mm |
|
噪声 |
<80dB(A) |
|
工作温度 |
0℃~+40℃ |
|
运输、储存温度 |
25℃~+55℃ |
|
湿度 |
75%RH 以下(短期 95%RH) |
|
振动 |
4.9m/s2 以下 |
|
机器人本体 IP 防护等级 |
IP40 |
|
控制柜 IP 防护等级 |
IP53 |
▶2-3 机器人负载参数
DR50E 型机器人负载参数如表
|
机器人型号 |
腕关节负载(kg) |
前臂负载(kg) |
大臂负载(kg) |
|
DR50E |
50 |
15 |
50 |
DR50E 型机器人负载位置如图
DR50E 手腕负载质量与重心的关系如图
▶2-4 机器人运动参数
DR 50E各关节运动参数如表
|
项目 |
规格 |
|
|
名称 |
DR50E |
|
|
关节速度 |
J1 |
140°/s |
|
J2 |
120°/s |
|
|
J3 |
120°/s |
|
|
J4 |
220°/s |
|
|
J5 |
220°/s |
|
|
J6 |
320°/s |
|
|
关节角度 |
J1 |
±160° |
|
J2 |
+130°~-60° |
|
|
J3 |
+75°~-195° |
|
|
J4 |
±360° |
|
|
J5 |
±110° |
|
|
J6 |
±360° |
|
|
自由停止时间/自由停止距离 |
J1 |
0.42s/26° |
|
J2 |
0.65s/33° |
|
|
J3 |
0.25s/20° |
|
|
J4 |
0.29s/26° |
|
|
J5 |
0.29s/26° |
|
|
J6 |
0.19s/19° |
|
|
关节允许负载力矩 |
J4 |
260Nm |
|
J5 |
260Nm |
|
|
J6 |
147Nm |
|
|
关节允许负载惯量 |
J4 |
28kgm2 |
|
J5 |
28kgm2 |
|
|
J6 |
11kgm2 |
|
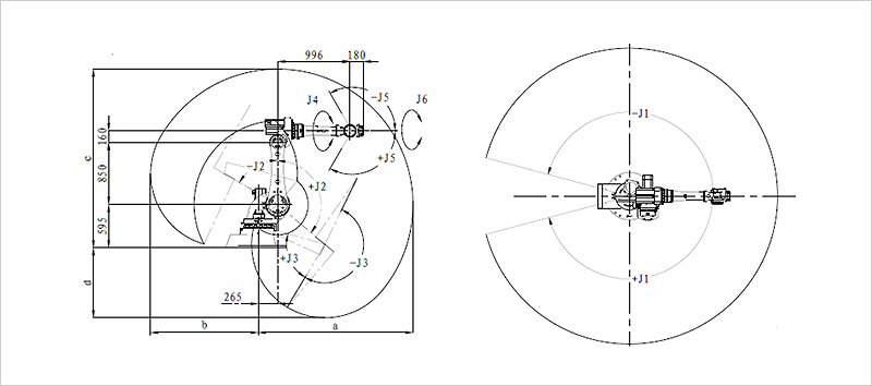
▶2-5 机器人工作空间
DR50E 型机器人负载参数如表
|
a |
b |
c |
d |
|
2124 |
1479 |
2453 |
960 |

